DUNGS MB-DLE 412 B01 S50 230V AC
DUNGS GasMultiBloc® MB-DLE 412 B01 S50
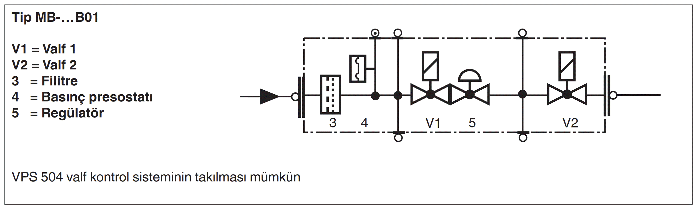
Tek kademeli brülör gaz hatları için; ince ızgara kir tutucu, oransal basınç regülatörü ve iki adet emniyet solenoid valfi fonksiyonlarını tek gövdede birleştiren kompakt Multiblok çözümdür. MB-DLE versiyonunda hidrolik açılma geciktirmesi ile kontrollü devreye alma sağlanır.
MB-DLE 412 B01 S50, gaz hattında emniyetli açma-kapama ve stabil basınç regülasyonu için tasarlanmıştır. İnce ızgara kir tutucu, regülatör ve iki emniyet valfi tek gövdede bulunduğu için montajı sadeleştirir. MB-DLE yapısında hidrolik gecikme ile devreye alma daha kontrollü gerçekleşir.
Öne Çıkan Avantajlar
- Tek gövdede filtre + regülatör + 2 emniyet solenoid valfi
- S50 regülatör çıkışı: 4–50 mbar
- 360 mbar’a kadar işletme basıncı
- MB-DLE: hidrolik açılma geciktirmesi ile kontrollü devreye alma
- Endüstriyel koşullara uygun IP54 koruma
Kullanım Alanları
- Tek kademeli endüstriyel ve ticari gaz brülörleri
- Kazan ve proses ısıtma sistemleri
- Fırın, kurutma ve sıcak hava jeneratörleri
- Gaz aileleri 1, 2, 3 ve diğer nötr gazlar
Ürün Teknik Bilgileri
| Genel Bilgiler | |
|---|---|
| Üretici | DUNGS |
| Ürün Ailesi | GasMultiBloc® – ayar ve güvenlik kombinasyonu |
| Model | MB-DLE 412 B01 S50 |
| Nominal Çap | DN 32 |
| Bağlantı & Ölçüm | |
| Boru Diş Standardı | ISO 7/1 (DIN 2999) |
| Giriş / Çıkış | Rp 1 1/4 – Rp 1 1/4 |
| Ölçüm / Ateşleme Gazı Bağlantısı | G 1/8 (DIN ISO 228) |
| Basınç & Regülasyon | |
| Maks. İşletme Basıncı (pmax) | 360 mbar (36 kPa) |
| Regülatör Çıkış Basıncı | 4 – 50 mbar (S50) |
| Basınç Regülatörü | Ön basıncı dengelenmiş regülatör yapısı; çıkış basıncının oransal valf sayesinde hassas ayarlanması. Dahili pulse mevcuttur. |
| Valf Fonksiyonu | |
| Emniyet Valfleri | 2 adet solenoid emniyet kapama valfi |
| MB-DLE Özelliği | Çabuk kapanma + yavaş açılma karakteristiği (kontrollü devreye alma) |
| Açılma Süresi | < 20 s |
| Filtre / Presostat | |
| Kir Tutucu | İnce ızgara; değişim yalnızca armatürü sökerek mümkündür |
| Basınç Presostatı (Opsiyon) | GW A5, GW A2, NB A2, ÜB A2 tipleri takılabilir |
| Elektrik & Güç | |
| Gerilim / Frekans | 220–230 V AC, 50–60 Hz |
| Elektrik Bağlantısı | DIN EN 175301-803’e uygun geçmeli bağlantı |
| Güç Girişi | 55 VA (230 V, +20°C) |
| Çevresel | |
| Koruma Sınıfı | IP54 |
| Ortam Sıcaklığı | -15°C … +70°C |
| Ağırlık | |
| Net Ağırlık | 5,0 kg |
Not: Teknik değerler ve açıklamalar, üretici tarafından yayımlanan DUNGS teknik dokümanları referans alınarak hazırlanmıştır. Uygulama ve güvenlik şartları için ilgili standartlar ve yerel mevzuat esas alınmalı; nihai uygunluk değerlendirmesi sistem koşullarına göre yapılmalıdır.
DUNGS MB-DLE 405 / 412 Multiblok – Teknik Detaylar
Aşağıdaki görseller; basınç yükleri, elektrik bağlantısı, valf bilgisi, teknik tablo ve montaj ölçülerini göstermektedir. Üretici dokümanları referans alınmalıdır.
Basınç Yükleri

Elektrik Bağlantısı

Valf Bilgisi

Teknik Tablo

Montaj Ölçüleri

Teknik Notlar
- Görseller 405 ve 412 serileri için ortak teknik dokümanlardan alınmıştır.
- Uygulama öncesinde brülör ve gaz hattı şartlarıyla karşılaştırma yapılması önerilir.
- Devreye alma ve bakım işlemleri yetkili teknik personel tarafından yapılmalıdır.