DUNGS MB-DLE 415 B01 S50 230V AC
DUNGS GasMultiBloc® MB-DLE 415 B01 S50
Tek kademeli brülör gaz hatları için geliştirilmiş; kir tutucu filtre, oransal basınç regülatörü ve iki adet emniyet solenoid valfi fonksiyonlarını tek bir kompakt gövdede sunan Multiblok çözümüdür. MB-DLE versiyonunda hidrolik gecikmeli yavaş açma özelliği ile kontrollü devreye alma sağlanır.
Detaylı Teknik Bilgiler
| Genel | |
|---|---|
| Üretici | DUNGS |
| Ürün Tipi | GasMultiBloc® – gaz ayar ve güvenlik armatürü |
| Çalışma Şekli | Tek kademeli (B01) |
| Basınç & Regülasyon | |
| Regülatör Çıkış Basıncı | 4 – 50 mbar (S50) |
| Maks. İşletme Basıncı | 360 mbar |
| Regülatör Tipi | Oransal, ön basıncı dengelenmiş |
| Valf Fonksiyonu | |
| Emniyet Valfleri | 2 adet solenoid emniyet kapama valfi |
| Açılma Davranışı | Çabuk kapanma / yavaş açma (MB-DLE) |
| Açılma Süresi | < 20 s |
| Bağlantı & Montaj | |
| Nominal Çap | DN 40 |
| Giriş / Çıkış | Rp 1 1/2 – Rp 1 1/2 (ISO 7/1) |
| Ölçüm Bağlantısı | G 1/8 |
| Elektrik & Çevre | |
| Besleme | 220–230 V AC, 50–60 Hz |
| Nominal Güç | 55 VA |
| Çalışma Süresi | %100 ED |
| Koruma Sınıfı | IP54 |
| Ortam Sıcaklığı | -15 °C … +70 °C |
| Gaz Uygunluğu | |
| Gaz Tipleri | Gaz aileleri 1, 2, 3 ve diğer nötr gazlar |
Not: Teknik bilgiler üretici teknik dokümanları esas alınarak hazırlanmıştır. Nihai ürün seçimi ve uygulama uygunluğu sistem koşullarına göre değerlendirilmelidir.
DUNGS MB-DLE 415 / 420 Multiblok – Teknik Detaylar
Aşağıdaki görseller; kesit, elektrik bağlantısı, gaz hattı şeması, basınç yükleri, diagram ve montaj ölçülerini göstermektedir. Teknik uygulamalarda üretici dokümanları referans alınmalıdır.
Kesit Resmi
İç yapı, akış yolu ve bileşen yerleşimi (dokümandaki gösterime göre).

Elektrik Bağlantısı
Bobin/klemens bağlantıları ve opsiyonel ekipman bağlantı noktaları (dokümana göre).

Gaz Hattı Şeması
Multiblokun gaz trenindeki konumlandırması ve tipik bağlantı şeması.

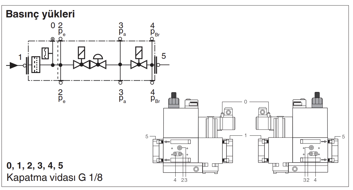
Basınç Yükleri
Bağlantı noktalarına gelen mekanik yük limitleri ve referans değerler (dokümana göre).

Diagram
Çalışma prensibi, akış yönleri veya devre/işlev diyagramı (dokümandaki gösterime göre).

Montaj Ölçüleri
Montaj çizimi, ölçülendirme ve bağlantı referansları.

Teknik Notlar
- Görseller 415 ve 420 serileri için üretici teknik dokümanlarından alınmıştır.
- Kurulum öncesi basınç değerleri ve elektrik bağlantıları, sahadaki brülör otomasyonu ile karşılaştırılmalıdır.
- Devreye alma ve bakım işlemleri yetkili teknik personel tarafından yapılmalıdır.