WIKA A-10 Basınç Transmitteri
Kategori
Marka
Stok Kodu
3J6UCGTBQD
İptal - İade
Ambalajı açılmış, kurulumu yapılmış veya kullanım izi taşıyan ürünlerde iade ve değişim işlemleri yapılamaz. İade için ürünün tüm içeriğiyle birlikte kullanılmamış olması gerekmektedir.
WIKA A-10 Basınç Transmitteri (Genel Endüstriyel Uygulamalar)
WIKA A-10; makine imalatı, ölçme-kontrol, hidrolik/pnömatik, pompa-kompresör ve gemi/denizcilik gibi endüstriyel sahalarda basınç ölçümü için tasarlanmış kompakt bir transmittersensördür. Çok geniş konfigürasyon seçenekleri sayesinde sistem gereksinimine uygun şekilde seçilebilir.
- Basınç türü esnekliği: Göreceli (gauge), vakum ve mutlak (absolute) ölçüm opsiyonları.
- Sinyal seçenekleri: 4-20 mA (2 telli) ve farklı voltaj çıkışları (uygulamaya göre).
- Dayanıklılık odağı: Uzun ömürlü endüstriyel kullanım hedefi.
- Ekonomik çözüm: Birçok uygulamada optimum performans/maliyet dengesi.
Teknik Özet
| Başlık | Değer / Seçenek |
|---|---|
| Basınç türü | Gauge / Vakum / Absolute (seçime bağlı) |
| Çıkış sinyali | 4 ... 20 mA (2-wire) • DC 0...10 V / 0...5 V / 1...5 V / 0.5...4.5 V • Ratiometric 0.5...4.5 V |
| Besleme | Çıkış sinyaline göre değişir (ör. 4-20 mA için DC 8...30/35 V; 0-10 V için DC 14...30/35 V; ratiometric için DC 5 V ±10%) |
| Doğruluk / Non-linearity | Standart ≤ ±0.5 % span • Opsiyonel iyileştirilmiş ≤ ±0.25 % span (ölçüm aralığına bağlı) |
| Sıcaklık aralıkları | Medium/Ambient 0...80 °C • Extended (seçime bağlı): Voltaj -30...+100 °C, Akım -40...+100 °C • Depolama -40...+70 °C |
| Çevresel şartlar | Nem: 0...90 % rH (yoğuşmasız) • Titreşim: 10g (opsiyonel 20g) • Darbe: koşula bağlı |
| Elektrik bağlantısı | DIN EN 175301-803 (Form A / C) • M12 x 1 (4-pin) |
| Onaylar | EU DoC (EMC, PED, RoHS), EAC, UL; opsiyonel: DNV, CRN, NSF/ANSI/CAN 61 (seçime bağlı) |
Ölçüm Aralığı ve Emniyet
- Vakum direnci: Mevcut (seçime bağlı kısıtlar olabilir).
- Aşırı basınç limiti: Ölçüm aralığı + proses bağlantısına bağlıdır.
- Vakum/compound seçenekleri: Uygulamaya göre farklı vakum ve bileşik aralıklar seçilebilir.
Proses Bağlantısı Seçenekleri (Örnek)
| Bağlantı | Maks. ölçüm aralığı | Overpressure (limit) | Conta / Sızdırmazlık |
|---|---|---|---|
| G 1/4 B (EN 837) | 1,000 bar | 1,480 bar | Bakır / Paslanmaz (ops.) |
| G 1/4 A (ISO 1179-2) | 600 bar (NBR/EPDM) • 1,000 bar (FPM/FKM) | 858 bar • 1,480 bar | NBR / EPDM / FPM-FKM |
| 1/4 NPT (ANSI/ASME B1.20.1) | 1,000 bar | 1,480 bar | - |
| M20 x 1.5 (DIN 16288) | 1,000 bar | 1,480 bar | Bakır / Paslanmaz (ops.) |
| G 1/8 B (EN 837) | 400 bar | 572 bar | Bakır |
Sipariş İçin Gerekli Bilgiler
- Basınç türü: Gauge / Vacuum / Absolute
- Ölçüm aralığı: Alt/üst değer
- Çıkış sinyali: 4-20 mA veya voltaj/ratiometric
- Proses bağlantısı + conta: Diş standardı ve sızdırmazlık tipi
- Elektrik bağlantısı: DIN 175301-803 Form A/C veya M12 (4-pin)
- Onay/sertifika ihtiyacı: (seçime bağlı)
Önemli Not
Ürün seçimi; akışkan cinsi, sıcaklık, titreşim/darbe, bağlantı standardı ve elektriksel altyapı gibi saha koşullarına göre yapılmalıdır. Nihai değerlendirmede üreticinin yayımladığı güncel teknik dokümanlar esas alınır. Bu sayfa, bilgilendirme amaçlıdır.
Soket ve kablo bağlantısı

Aksesuar ve yedek parça

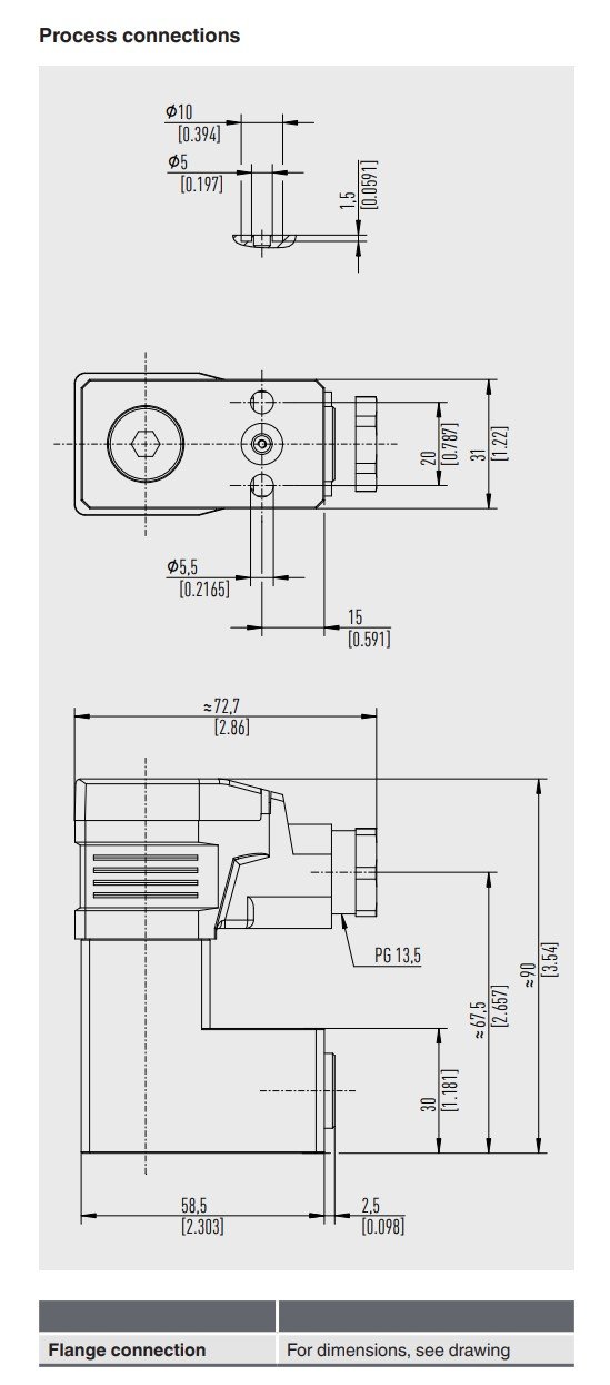
Ölçü boyutlar

Ölçü boyutlar

Kalite onaylar

Önemli Not
Performans değerleri, ölçüler ve aksesuar bilgileri değerlendirilirken üretici tarafından yayımlanan güncel teknik dokümanlar esas alınmalıdır. Bu sayfadaki bilgiler referans ve bilgilendirme amaçlıdır.