WIKA PSM-700 Basınç Presostatı (Sahada Ayarlı – Ayarlanabilir Histerezis)
WIKA PSM-700; proses endüstrisinde kontrol, izleme ve alarm uygulamaları için tasarlanmış mekanik basınç presostatıdır. 316L paslanmaz, tam kaynaklı körük ölçüm elemanı sayesinde korozyona dayanıklı yapı sunar; robust alüminyum gövde ile zorlu saha koşullarına uygundur. Switch noktası sahada ayarlanabilir; opsiyonel tamper proofing ile yetkisiz ayar engellenebilir.
- Ayarlanabilir diferansiyel (histerezis): Seçeneğe bağlı olarak ayar aralığının %60’ına kadar.
- Yüksek tekrarlanabilirlik: Switch point repeatability ≤ %0,5 (span).
- IP66 koruma: tozlu/nemli endüstriyel ortamlara uygun.
- SPDT / DPDT mikro switch seçenekleri (gümüş kaplı kontak).
Aradığın basınç değerini aşağıdaki “Basınç Ayar Aralıkları” tablosundan hızlıca bulabilirsin.
Genel Teknik Bilgiler
| Özellik | Değer / Açıklama |
|---|---|
| Model | PSM-700 |
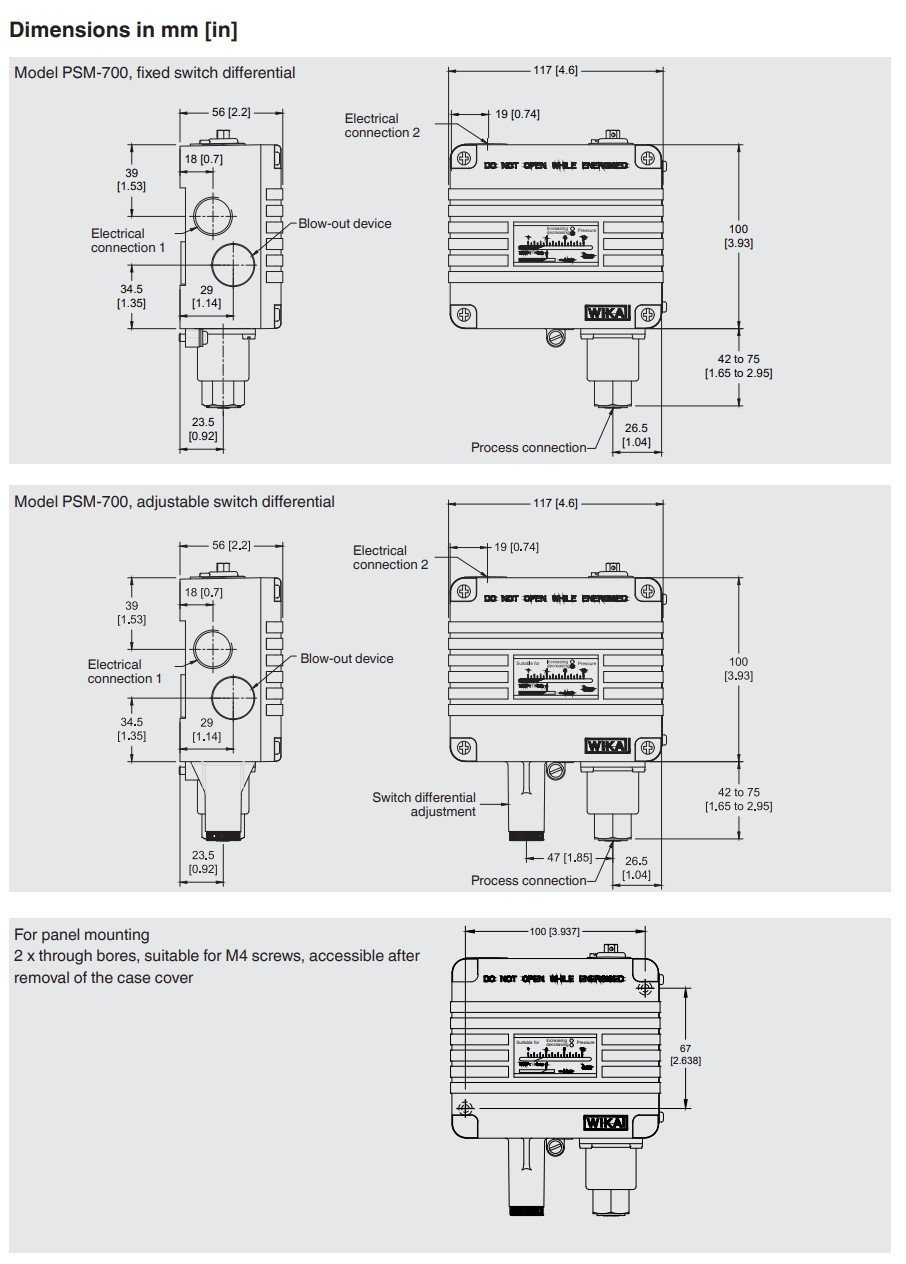
| Gövde / Kasa | Yüksek kalite alüminyum alaşım (EN AC-44100), EPDM sızdırmazlık, blow-out device |
| Ölçüm Elemanı | Tam kaynaklı körük (316L paslanmaz) |
| Koruma Sınıfı | IP66 (IEC/EN 60529) |
| Çalışma Sıcaklığı (Ortam) | -10 … +60 °C |
| Akışkan Sıcaklığı | -30 … +115 °C (seçime bağlı -30 … +150 °C) |
| Depolama | -50 … +60 °C |
| Kontak Yapısı | 1×SPDT veya 1×DPDT (1–2 mikro switch, gümüş kaplı kontak) |
| Diferansiyel | Sabit veya ayarlanabilir (maks. %60 – ayar aralığına/versiyona bağlı) |
| Proses Bağlantısı | 316L, alt bağlantı: 1/4 NPT dişi (ANSI) • G 1/2 erkek (ISO 228/1) • G 1/4 erkek (ISO 228/1) |
| Elektrik Bağlantısı | 1/2 NPT dişi • M20×1.5 dişi • (adaptör ile) 3/4 NPT |
| Kablo Rakoru | Yok / Polyamid / Paslanmaz çelik |
| Güvenlik | IEC 61010-1:2010, Safety class I, overvoltage category II, pollution degree 2 |
| Ağırlık | Yaklaşık 1.0 … 1.5 kg (ayar aralığına bağlı) |
Basınç Ayar Aralıkları (bar)
| Ayar Aralığı | Fabrika Varsayılan Switch Noktası* | Maks. Çalışma Basıncı | Test Basıncı | Sabit Diferansiyel (SPDT) | Sabit Diferansiyel (DPDT) | Ayarlanabilir Diferansiyel Aralığı |
|---|---|---|---|---|---|---|
| -1 … 1.5** | 0.25 | 5 | 20 | ≤ 0.1 | ≤ 0.23 | 0.23 … 0.9 |
| 0.2 … 1.6 | 0.9 | 2.5 | 10 | ≤ 0.06 | ≤ 0.24 | 0.24 … 0.95 |
| 0.4 … 4 | 2.2 | 9 | 36 | ≤ 0.16 | ≤ 0.6 | 0.6 … 2.4 |
| 0.7 … 7 | 3.85 | 18 | 72 | ≤ 0.28 | ≤ 1.1 | 1.1 … 4 |
| 1 … 10 | 5.5 | 18 | 72 | ≤ 0.4 | ≤ 1.5 | 1.5 … 6 |
| 1.6 … 16 | 8.8 | 25 | 100 | ≤ 0.64 | ≤ 2.4 | 2.5 … 9.5 |
| 4 … 25 | 14.5 | 36 | 144 | ≤ 1 | ≤ 3.75 | 3.8 … 15 |
| 7 … 35 | 21 | 50 | 200 | ≤ 1.4 | ≤ 5.25 | 5.5 … 20 |
* Müşteri talebi yoksa switch noktası, “düşen basınç yönünde” tabloda verilen değere preset edilir.
** -1…1.5 bar aralığı yalnızca 1/4 NPT dişi proses bağlantısıyla sunulur.
Kontak Versiyonları ve Elektriksel Anma Değerleri
| Kod | Diferansiyel | Kontak | AC (Rezistif) | AC (Endüktif) | DC (Rezistif) | DC (Endüktif) |
|---|---|---|---|---|---|---|
| F1 | Sabit | SPDT | 125/250 V: 10 A | 125/250 V: 10 A | 30 V: 2 A • 125 V: 0.4 A • 250 V: 0.2 A | 30 V: 1 A • 125 V: 0.03 A • 250 V: 0.02 A |
| F2 | Sabit | DPDT | 250 V: 15 A | 250 V: 10 A | 30 V: 10 A • 125 V: 0.6 A • 250 V: 0.3 A | 30 V: 10 A • 125 V: 0.6 A • 250 V: 0.3 A |
| A1 | Ayarlanabilir | SPDT | 250 V: 15 A | 250 V: 10 A | 30 V: 10 A • 125 V: 0.6 A • 250 V: 0.3 A | 30 V: 10 A • 125 V: 0.6 A • 250 V: 0.3 A |
| A2 | Ayarlanabilir | DPDT | 250 V: 15 A | 250 V: 10 A | 30 V: 10 A • 125 V: 0.6 A • 250 V: 0.3 A | 30 V: 10 A • 125 V: 0.6 A • 250 V: 0.3 A |
DPDT fonksiyonu, setting range’in %2’si içinde eşzamanlı tetiklenen 2 adet SPDT mikro switch ile sağlanır.
Montaj ve Ayar Notu (Sahada Kullanım)
- Montaj seçenekleri: Direkt / Pano / Duvar aparatı / 2” boru kelepçesi (U-bolt)
- Switch noktası ayarı: Ayar vidası üzerinden sahada yapılır.
- Önerilen ayar bölgesi: En iyi performans için switch point’in, ayar aralığının %15–%70 bandında ayarlanması önerilir.
Sipariş Bilgisi
- Model / Kontak versiyonu / Elektrik bağlantısı
- Ayar aralığı / Switch point ayarı (fabrika varsayılan, müşteri talebine göre veya saha ayarlı)
- Opsiyon: Tamper proofing (yetkisiz ayar önleme)
- Opsiyonel doküman: EN 10204 2.2 test raporu / 3.1 muayene sertifikası
Önemli Not
Performans değerleri, ölçüler ve yedek parça/aksesuar bilgileri değerlendirilirken üretici tarafından yayımlanan güncel teknik dokümanlar esas alınmalıdır. Bu sayfadaki bilgiler referans ve bilgilendirme amaçlıdır.



Önemli Not
Performans değerleri, ölçüler ve yedek parça/aksesuar bilgileri değerlendirilirken üretici tarafından yayımlanan güncel teknik dokümanlar esas alınmalıdır. Bu sayfadaki bilgiler referans ve bilgilendirme amaçlıdır.